Introduction
As we all know, Apple made significant innovations in wireless charging starting from the iPhone 12 series, introducing the new MagSafe wireless charging, which improved both charging speed and user experience. However, to achieve the touted 15W MagSafe charging, third-party products need to use Apple's MFi certified wireless charging modules; otherwise, even if they can be used, the power will be greatly reduced, which impacts consumer choices.
With the implementation of EU regulations, Apple has gradually become more open in the charging domain. They are also actively promoting the latest Qi2 wireless charging standard by the WPC. Rumors have circulated that the upcoming Apple iPhone 15 will open up the previously encrypted 15W magnetic wireless charging. In other words, with Qi2 certification, third-party products can provide users with a relatively fast wireless charging experience even without Apple's MFi certification.

(All data above from the official WPC forecasts)
Entering the previously closed Apple ecosystem with unchanged performance and better prices signifies a lot for every industry professional. The release of the Qi2 standard will undoubtedly further drive the development of the entire magnetic wireless charging ecosystem, positively impacting the industry.
What is Qi2 Wireless Charging?
The latest Qi2 wireless charging standard from the WPC is optimized based on Apple's MagSafe, utilizing the MPP (Magnetic Power Profile) protocol. It makes wireless charging more user-friendly in terms of alignment and usage, offering better compatibility and charging efficiency. The WPC has standardized and integrated authentication verification to enhance practicality and convenience, further promoting the widespread adoption of wireless charging.
Qi2 certification requires products to include both EPP (Extended Power Profile) and MPP transmission areas, and they must incorporate authentication. Single BPP (Baseline Power Profile) wireless chargers cannot obtain Qi2 certification, and in multi-coil wireless chargers, while BPP can be included, there must be at least one EPP or MPP.

Qi2 certification must pass ATL verification, and currently, there are 11 authorized WPC labs.

While the brand-new Qi2 wireless charging standard brings significant opportunities, it also imposes higher technical requirements on wireless charging systems. According to incomplete statistics from ChargerLAB, several manufacturers have already launched Qi2 standard wireless charging chips, including ConvenientPower, Injoinic, Maxic, NuVolta, Suncore, and WPINNO, to meet the upcoming demands of the new wireless charging market.
Blande
D9516
The Blande D9516 is a high-performance wireless charging transmitter chip that supports various Qi-compliant Type-A power transmitter designs such as A11/A28, meeting the comprehensive control requirements of Qi standard or customized 5V/9V/12V wireless transmitters. This chip features an integrated USB-C port, compatible with PD3.0/2.0 standards, and supports receiving power of 5W/7.5W/10W/15W.

To provide maximum flexibility and efficiency in wireless power control applications, the D9516 introduces Dynamic Power Locking (DPL) technology. Additionally, the D9516 supports Foreign Object Detection (FOD) function, continuously monitoring the efficiency of power transmission to effectively prevent energy loss caused by metal objects mistakenly placed in the transmission field.
The D9516 achieves precise coil alignment through sound signals emitted by an external AC buzzer. Furthermore, it is equipped with I²C and Ustart interfaces, offering flexible communication options. The built-in LED lights clearly display charging and fault statuses, enhancing the user experience.

It adopts a heat-performance-optimized 4mm x 4mm, 32-pin QFN package, providing superior performance and reliability in a compact form, suitable for wireless chargers for smartphones and wearable devices compliant with WPC standards, as well as wireless chargers specifically designed for medical and industrial applications.
Chipown
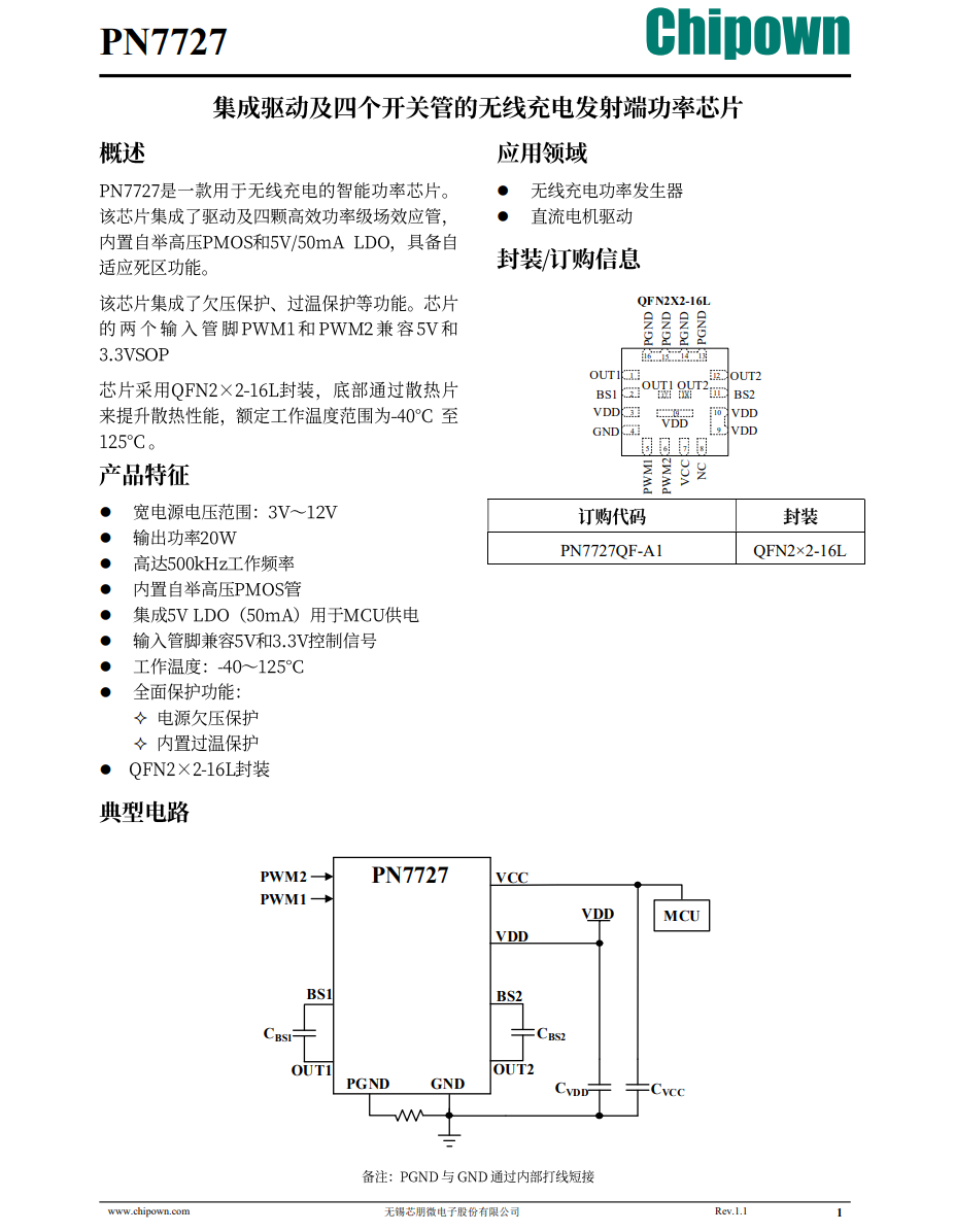
PN7727
The Chipown PN7727 is a fully integrated intelligent chip supporting 20W wireless charging under Qi2 standard. The chip integrates drivers and H-bridge MOSFET, along with a regulator providing 5V output voltage for MCU power supply. The chip supports power supplies ranging from 3-12V, with a working frequency of up to 500KHz.

Designed for single-wafer, it offers QFN2 x 2-16L package with bottom heat dissipation pad, effectively reducing device temperature rise, suitable for wireless charging transmitters and DC motor drive applications. Moreover, its QFN2 x 2-16L package boasts excellent compact design among similar packages, allowing more efficient heat dissipation and enhancing chip performance stability.

This is its size compared to a coin.

It integrates with a driver and four efficient power stage MOSFETs, featuring built-in bootstrap high-voltage PMOS and 5V/50mA LDO, with adaptive dead time function that adjusts power transmission flexibly according to different wireless charging scenarios, making the wireless charging system more intelligent and efficient, saving energy while achieving higher charging efficiency.
ConvenientPower
CPS8200
ConvenientPower CPS8200 is a highly integrated and efficient wireless charging transmitter chip, featuring a 32-bit processor, 64+2KB MTP (Multi-Time Programming), 32KB ROM, and 2KB SRAM. MTP supports read and write protection.

It supports QC2.0, QC3.0, PD3.1, SCP and AFC, and has integrated three pairs of half-bridge drivers. When paired with corresponding MOSFETs, it can complete a Qi2 wireless charging product.

CPS8200 also supports 24V power voltage, 45V for the power stage, and integrates over-voltage, over-current, and over-temperature protection. It includes a buck-boost converter, DC-DC controller, communication module, etc., with extremely low standby power consumption. It uses the QFN6x6-48 package.
CPS4041
ConvenientPower CPS4041 is also a highly integrated and efficient wireless charging transmitter chip, compatible with the Qi2 standard. It supports 60W wireless charging reception and 20W wireless charging transmission, making it particularly suitable for smartphones and portable devices. The chip integrates efficient synchronous full-bridge/half-bridge rectifiers for converting the AC from the coil induction to DC output. The chip also has an integrated low-dropout regulator (LDO), suitable for battery-powered devices.

It integrates a 30mΩ synchronous rectifier, with 1% current sampling accuracy and dedicated temperature sensing. It includes a 32-bit processor and a 12-bit ADC for input and output power detection.

CPS4041 also integrates rectifier over-voltage protection, LDO over-current protection, and over-temperature protection. It uses a 2.82x4.22mm WLCSP-53 package.
CVSMicro
CV90367
The CVSMicro CV90367 is a powerful Qi2 wireless charging chip, supporting power adapters for various applications, backward compatible with Qi, supporting single-coil/multi-coil wireless charging applications with power up to 80W; it can be configured with various protection functions, integrating full-bridge drive circuit and voltage & current dual communication decoding function modules, in a QFN48 package.

It is a SoC compliant with Qi v1.2, v1.3, and Qi2.9 standards, supporting Qi-compliant BPP 5W, Apple 7.5W, Samsung 10W, EPP 15W, and MPP 15W wireless charging, while also supporting proprietary protocols and customizable communication protocols, offering strong compatibility and multi-power support.

The CV90367 integrates a 32-bit high-speed CPU core with 16KB Mask ROM. It widely supports mainstream fast charging protocols on the market, with built-in full-bridge MOS gate driver, 4 pairs of complementary 16-bit high-speed PWM@128MHz.
Additionally, it integrates voltage and current dual decoding, hardware overvoltage protection, supports Q-factor detection and foreign object detection functions, and has 11 GPIOs, supporting I2C, UART communication, providing more connection and expansion options.
CV90368
As an upgraded version of CV90367, the CV90368 has made many improvements in functional features, providing more advanced performance to meet the diverse needs of different users.

The CV90368 increases the maximum power from 80W to 100W based on CV90367, and can support up to 3 RX device wireless charging simultaneously. It also increases RAM from the original 4KB to 6KB, upgrades 12-bit high-precision ADC from the original 8 channels to 13 channels, adds 7 GPIOs to reach 18 GPIOs, and adopts a more advanced packaging method for more compact structure.

Specifically, the CV90368 uses a QFN56 package, with a smaller overall size, and its support for "one core, dual charging" allows it to be applied in multi-in-one wireless charging bases and various wireless charging devices.
Generalplus
GPM32FD0338B
The GPM32FD0338B is an industrial-grade MCU with an ARM M0 core, featuring 8KB SRAM, 4KB system memory, and 60KB program storage, supporting configurable data storage. The chip integrates two ADCs, two fast analog voltage comparators, and four operational amplifiers.

The chip has a built-in core temperature sensor, with 34 fast multi-function bidirectional IOs, two I2C interfaces, two SPI interfaces, and three UART interfaces, as well as an integrated full-bridge MOSFET driver. The chip has four security levels, supports -40~105°C operating temperature, and comes in a QFN48 package.

This is all the major information about the Generalplus GPM32FD0338B.
Infineon
WLC1115
Infineon WLC1115 is a highly integrated wireless power transmitter that complies with the Qi2 standard. It integrates a 4.5V to 24V DC input buck-boost converter, an inverter gate driver, factory-calibrated current sensing, supporting MPP, EPP, and BPP protocols, analog protection peripherals, USB PD, LIN, and serial interfaces, enabling efficient and intelligent wireless power transmission.

The WLC1115 complies with USB Type-C and PD 3.1 specifications, meeting the latest Qi specifications for 15W applications and serving as an ideal choice for 15W wireless charging applications. It integrates gate drivers for buck and boost power supplies, supporting an input voltage range of 4.5V to 24V, and provides various programmable features for unique wireless transmitter solutions.
It also features multi-path ASK demodulation, effectively resisting signal distortion caused by multipath propagation, thus improving signal reception sensitivity and performance. Additionally, it includes adaptive foreign object detection to identify and handle potential foreign object interference, ensuring efficient energy transfer to receiving devices, reducing energy loss.

WLC1115 is a highly programmable wireless power transmitter integrated with a USB-PD receiver, featuring an on-chip 32-bit Arm® Cortex®-M0 processor, 128 KB flash, 16 KB RAM, and 32 KB ROM, maximizing available flash space for user applications. Moreover, it incorporates various analog and digital peripherals, such as ADC, PWM, and timers. The WLC1115 also integrates a fully programmable flash microcontroller (MCU) with analog and digital peripherals, offering an expandable multi-coil wireless charging solution for free-positioning transmitters.
Infineon's wireless charging controller (WLC) provides a highly integrated and scalable platform, aiding compliance and proprietary charging requirements. The controller is equipped with I2C and UART communication ports, facilitating connections with other devices. Additionally, it features configurable software functions for personalized settings according to specific application needs.

The WLC1115 operates stably in environments ranging from -40°C to 105°C, employing a QFN68 8 x 8 x 0.65mm package, offering flexible tray or tape and reel options, applicable in wireless charging boards, smart speakers, portable accessories, furniture and home goods, docking stations, high-speed charging support, and other fields for extended power configuration profiles and basic power configurations.
Injoinic
IP6802
IP6802 is a complete single-chip wireless charging SOC. This chip supports the PD3.0 protocol and supports PD and DP&DM fast charging power supply, supporting input voltage from 4V to 20V. It integrates full-bridge drivers and digital demodulation, eliminating the need for external drivers and op-amps, making it possible to create a complete Qi2 wireless charging product with only four MOSFETs and a few peripheral components.

It integrates a 32-bit MCU, ADC, timers, and H-bridge drivers, and also includes I2C communication, supporting customization and certification testing. It has a built-in 32KB MTP storage, supporting firmware upgrades, allowing users to customize through PC.

IP6802 has built-in dynamic power regulation, which, for USB power adapters with insufficient power delivery, can maintain uninterrupted wireless charging by reducing the transmission power. It also supports static and dynamic FOD (Foreign Object Detection) and various protection functions. The chip uses a QFN5x5-32 package, allowing for very compact end products to meet personalized design needs.
Maxic
MT5805
The Maxic MT5805 is a single-chip solution, integrating a 32-bit M0 processor, 32KB MTP memory, and 4KB SRAM internally, compliant with WPC Qi 1.3 specifications, supporting proprietary wireless charging protocols and customizable functions. The chip supports input voltages from 4-20V, with built-in fast charging function, supporting UFCS, PD3.0, QC, FCP, SCP protocols, and single-chip wireless charger applications.

It supports overvoltage protection, overcurrent protection, undervoltage protection, and overheat protection, with built-in dynamic power limitation, supporting dynamic power reduction output. The chip adopts FCQFN3 x 4-24L package, suitable for wireless charging transmitters for smartphones and wearable devices, medical devices, household appliances, and industrial equipment.

This is partial information about the MT5805.
MT5811
Maxic MT5811 is a highly integrated Qi wireless charging transmitter chip with fast charging protocols like USB PD, QC, and a 15W output power support.

It integrates an ARM M0 processor, with an efficient and compact design, providing a strong and self-contained secondary development capabilities. The chip integrates 3 pairs of NMOS drivers, eliminating the need for external drivers.

MT5811 has strong scalability, adopting a highly integrated embedded SoC architecture and flexible interface design, suitable for various low-cost, low-power applications, widely used for 5G terminals, wearable devices, IoT, smart appliances, etc.
NuVolta
NU1708A
NuVolta NU1708A is a highly integrated wireless charging transmitter chip supporting input voltages from 4.5V to 20.5V. It integrates efficient full-bridge MOSFETs and corresponding drivers while also incorporating a wireless charging master control chip, greatly reducing space usage.

Additionally, it integrates a 92MHz 32-bit MCU, 32KB MTP, and 2KB SRAM, along with PD and QC fast charging protocols and various protection features.
NU1718
NuVolta NU1718 is also a highly integrated wireless charging transmitter controller, supporting input voltages from 4.5V to 30V. It integrates buck-boost controllers and three pairs of half-bridge drivers, supporting dead time and slew rate.

It includes 5V, 3.3V, and 1.8V regulators, high-precision current sensing for FOD (Foreign Object Detection) and In-Band communication, as well as multiple protection features, a 92MHz 32-bit MCU, 64KB MTP, and 4KB SRAM.
It also integrates QC and PD fast charging protocols, with a static current in sleep mode of less than 20μA, making it suitable for desktop wireless charger applications.
Southchip
Southchip SC9610
The Southchip SC9610 is a highly integrated, efficient wireless charging transmitter controller, with a maximum output power of 50W, compliant with WPC-Qi2.0 protocol; the chip integrates a 32-bit digital core and rich components, allowing easy development of wireless charging transmitters with power up to 50W and other applications.

It supports input voltage range from 4V to 22V, up to 42V conversion, integrates 64KB MTP programmable multiple memory, 8KB SRAM static random access memory; additionally, it supports enhanced PWM output of up to 3 channels or 4 general PWM outputs, with a clock frequency of up to 192MHz.

The SC9610 integrates full-bridge drivers, amplitude shift keying (ASK) demodulation module, frequency shift keying (FSK) modulation module, analog-digital converter module, 6 timer modules, and capture modules, supporting I2C interface, integrating multiple low-dropout voltage regulator modules providing stable output voltages of 5V, 3.3V, and 1.5V, and integrating a fast charging interface, supporting USB PD3.0, VOOC, UFCS, and other fast charging protocols, meeting various demands for charging efficiency and speed.
The SC9610 supports Q-factor detection, integrates precise current sensing for foreign object detection, and integrates protection mechanisms such as overvoltage protection (OVP), overcurrent protection (OCP), overtemperature protection (OTP), to maximize device safety. The SC9610 uses a QFN 44 package, providing good thermal performance and size advantages, meeting the modern electronic devices' requirements for high performance and miniaturization.
Suncore
CX8915S
CX8915S is a highly integrated and efficient wireless charging SOC, compatible with the WPC Qi2 wireless charging standard, integrating all the necessary functions for a wireless charger, including PD and QC fast charging protocols, and LDO, and complete full-bridge MOSFET drivers, requiring only a minimal number of external peripheral components.

It supports USB PD and QC, integrating a 32-bit ARM core with a frequency of up to 96MHz, built-in 32KB+4KB storage, supporting 4 independent PWM outputs, versatile and flexible PWM functionality, up to 6 16-bit timer channels, supporting 12-bit resolution ADC, and includes a built-in temperature detection channel, as well as two ACMP and OPA modules.

CX8915S is a comprehensive chip, integrating the MCU core required for wireless charging, PWM generator, PD and QC voltage request, buck-boost and regulator circuits, etc., with very streamlined external circuit components. It uses a QFN6x6-48 package.
WPINNO
WP8036
WPINNO WP8036 is a wireless charging main control chip compliant with the WPC Qi2.0 standard, supporting BPP, EPP, and MPP applications. It integrates an ARM M0+ CPU, 64K Flash, and 4K RAM. It supports PD, QC, and AFC fast charging.

The chip has built-in over-voltage protection, under-voltage protection, over-current and over-temperature protection, as well as FOD functionality, compatible with mainstream wireless charging for smartphones, and supports custom LED display. It has high-precision voltage and current detection, supports single-coil and multi-coil applications, and uses a QFN48 package.
WP8037
WP8037, a wireless charging chip certified with Qi2.0 MPP, integrates a robust 32-bit core alongside peripherals tailored to wireless charging requirements. It is purpose-built for wireless charging, supporting not only the MPP protocol but also displaying compatibility with BPP, EPP, and other proprietary protocols, showcasing its adaptability.

Furthermore, WP8037 integrates a high-resolution full-bridge controller and multi-channel ASK demodulation technology, allowing flexibility in handling various power sources like DC power, USB-PD, HVDCP, among others. This integration provides users with rich IO interfaces, enabling easy control over various peripheral chips.
WP8037 doesn't just house robust core resources, I2C master/slave functions, and SPI functionality. It also empowers extensive control capabilities, managing an array of devices such as peripherals and other ICs, encompassing boost, buck, and more. This ensures the effective operation of sub-modules within the product.

It adopts a QFN-48 5mm × 5mm package, supporting single-coil and multi-coil wireless charging transmitter applications. At the same time, ChargerLAB learned that the MPP module equipped with this wireless charging chip has passed Qi2 certification and realized charging adaptation for iPhone.
WP9025
WP9025 is a single-chip wireless charging receiver and transmitter chip compliant with the WPC Qi 2.0 standard, supporting 55W wireless charging reception and 15W wireless transmission, suitable for smartphones. It includes rectifier output over-voltage protection, over-temperature protection, supports output voltages from 5V to 20V, and supports online upgrades and user-programmable foreign object detection functionality.

It includes a 32-bit ARM M0 processor, supports constant voltage and constant current control for directly charging the battery through wireless charging, supports online programming via the I2C interface and external MCU control. The chip uses a 3.33x4.15mm 63-WLCSP package.
Summary of ChargerLAB
With the recent introduction of the latest Qi2 wireless charging standard by the Wireless Power Consortium (WPC) and Apple's latest release of the first iPhone 15 series featuring the Qi2 standard, it is foreseeable that the future market will witness a surge in demand for new accessories based on this brand new standard.
Major wireless charging manufacturers have keenly observed this trend and have promptly launched a batch of new wireless charging chips that are compatible with the latest Qi2 wireless charging standard. These chips only need to undergo Qi2-related certification to enable convenient 15W wireless fast charging for the iPhone 15 series, making it incredibly convenient for users.